MPS003 SOT23-6 低功耗长按短按开关机芯片
MPS003 SOT23-6 低功耗长按短按开关机芯片规格说明书V1
本文档使用 MrDoc 发布
-
+
首页
MPS003 SOT23-6 低功耗长按短按开关机芯片规格说明书V1
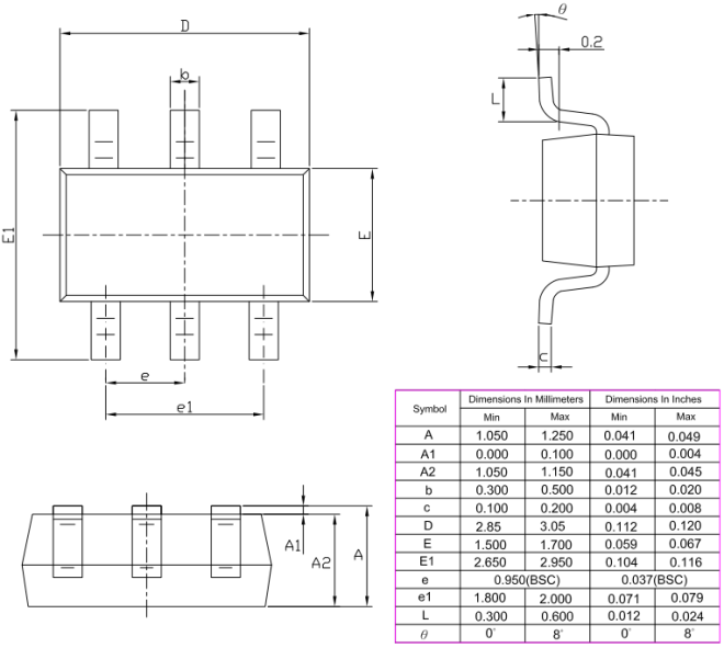
郑州飞犀科技有限公司规格说明书 [【附件】MPS003 SOT23-6 低功耗长按短按开关机芯片规格说明书V1.zip](/media/attachment/2025/09/MPS003_SOT23-6_%E4%BD%8E%E5%8A%9F%E8%80%97%E9%95%BF%E6%8C%89%E7%9F%AD%E6%8C%89%E5%BC%80%E5%85%B3%E6%9C%BA%E8%8A%AF%E7%89%87%E8%A7%84%E6%A0%BC%E8%AF%B4%E6%98%8E%E4%B9%A6V1.zip) **低功耗长按短按开关机专用IC** **型号:MPS003** **封装:SOT23\-6** 第 V1\.0 版本 2025年7月17日 # 免责申明和版权公告 本文中的信息,包括供参考的URL 地址,如有变更,恕不另行通知。文档“按现状”提供,不负任何担保责任,包括对适销性、适用于特定用途或非侵权性的任何担保,和任何提案、规格或样品在他处提到的任何担保。本文档不负任何责任,包括使用本文档内信息产生的侵犯任何专利权行为的责任。**飞犀龙、FEIXI 均为本公司注册商标。**本文档在此未以禁止反言或其他方式授予任何知识产权使用许可,不管是明示许可还是暗示许可。本公司注册地和相关管辖权所在地,为中国河南省郑州市。 **注 意** 由于产品版本升级或其他原因,本手册内容有可能变更。郑州飞犀科技有限公司保留在没有任何通知或者提示的情况下对本手册的内容进行修改的权利。本手册仅作为使用指导,郑州飞犀科技有限公司 尽全力在本手册中提供准确的信息,但是郑州飞犀科技有限公司并不确保手册内容完全没有错误,本手册中的所有陈述、信息和建议也不构成任何明示或暗示的担保。 此说明仅用于学习和了解本公司的IC资讯,如贵司需要采用我公司的芯片设计产品,请联系我司业 务相关人员索取最新的规格书和指导说明文件,感谢合作! **重要声明** 飞犀科技有权利保密在任何时候变更或终止产品,建议用户在使用或下单前与飞犀科技或代理商联系以取得最新、最正确的产品信息。 飞犀科技不担保本产品适用于保障生命安全或紧急安全的应用,飞犀科技不为此类应用产品承担任何责任。关键应用产品包括,但不仅限于,可能涉及的潜在风险的死亡,人身伤害,火灾或严重财产损失。 飞犀科技为服务客户所提供的任何软件,皆为服务的参考性质,飞犀科技不具备任何软件漏洞责任,不承担任何责任来自于因客户的产品设计所造成的任何损失。在飞犀科技所保障的规格范围内,客户应设计和验证他们的产品。为了尽量减少风险,客户设计产品时,应保留适当的产品工作范围和必要的安全保障。 **目 录** 规格说明书 1 低功耗长按短按开关机专用IC 1 免责申明和版权公告 2 1\. 概述 5 2\. 特性 5 3\. 管脚描述及说明 5 4\. ADC输入与频率设置、PWM占空比分辨率对应表 6 5\. 典型应用电路 7 6\. 电气特性 9 6\.1 电气特性极限参数 9 6\.2 直流特性(如无特殊说明,所有电压以 GND为参考﹐VDD\=3\.0V,环境温度为 25℃) 9 6\.3 ADC电气特性 (VDD\=5V, VSS\=0V, TA\=25°C 除其他指定说明外) 10 7\. 特性曲线图 10 7\.1 高速 RC 振荡频率(I\_HRC)及低速 RC 振荡频率(I\_LRC)与电源电压(VDD)曲线图 10 7\.2 高速 RC 振荡频率(I\_HRC)及低速 RC 振荡频率(I\_LRC)与电源电压(VDD)曲线图 11 7\.3 低速 RC 振荡频率(I\_LRC)与温度曲线图 11 7\.4 内部上拉电阻与电源电压(VDD)曲线图 12 7\.5 VIH/VIL 与电源电压(VDD)曲线图 12 8\. 封装信息:SOP8 150mil 14 9\. 订购信息 14 MPS001 15 修订历史 | 修订 | 日期 | 描述 | | --- | --- | --- | | V1\.0 | 2025年7月17日 | 新建文档。 | # 概述 MPS003采用CMOS制程,低功耗长按短按开关机专用IC。1个IO识别输入状态,1个IO进行长按或短按模式设置,控制2个IO输出电平相反的IO。 初始状态按键KEY默认为高电平,此时OUTH是高电平,OUTL是低电平。 当LONG为悬空(高电平)时候,重新上电后工作在**长按模式**;长按KEY管脚由高电平拉低大约3秒,OUTH变成低电平,OUTL由默认的低电平变成高电平。松开KEY按键后,保持当前状态不变。重新按下KEY按键,电平状态翻转。 当LONG为拉低(低电平)时候,重新上电后工作在**短按模式**;长按KEY管脚由高电平拉低大约0\.5秒,OUTH变成低电平,OUTL由默认的低电平变成高电平。松开KEY按键后,保持当前状态不变。重新按下KEY按键,电平状态翻转。 # 特性 * 工作电压范围:1\.8V \~ 5\.5V ,超过5\.5V,可能造成芯片损坏。 * 输入电压:\-0\.3V\~ VDD\+0\.3V。 * 工作温度:\-40℃ \~ 85℃。 * 存储温度:\-50℃ \~ \+125℃ * 结点温度:150℃ # 管脚描述及说明  MPS003 SOT23\-6 | **管脚** | **名称** | **I/O** | **描述** | | --- | --- | --- | --- | | 1 | KEY | I/O | 输入状态识别,默认悬空为高电平1,接地为低电平0。 | | 2 | GND | POWER | 电源负极。 | | 3 | OUTH | I/O | 上电默认是高电平,触发后高电平变成低电平。 | | 4 | LONG | I/O | 长按模式和短按模式设置IO,默认悬空LONG\=1是长按模式,LONG\=0是短按模式。 | | 5 | VDD | POWER | 电源正极。 | | 6 | OUTL | I/O | 上电默认是低电平,触发后低电平变成高电平。 | # 典型应用电路  # 电气特性 ## 电气特性极限参数 | **参数** | **标号** | **条件** | **范围** | **单位** | | --- | --- | --- | --- | --- | | **工作电压** | VDD | \- | \+1\.8 \~ \+5\.5 | V | | **输入/输出电压** | VI / VO | 所有 I/O | Vss\-0\.3 \~ VDD\+0\.3 | V | | **工作温度** | TA | \- | \-40\~ \+ 85 | ℃ | | **储藏温度** | TSTG | \- | \-50\~ \+ 125 | ℃ | ## 直流特性(如无特殊说明,所有电压以 GND为参考﹐VDD\=5V,环境温度为 25℃) | **参数** | **标号** | **条件** | **最小值** | **典型值** | **最大值** | **单位** | | --- | --- | --- | --- | --- | --- | --- | | **工作电压** | **VDD** | 启用内部稳压电路 | 1\.8 | | 5\.5 | V | | **静态工作电流** | **IDD** | 待机模式 | **0\.04****(1\.8V供电)** | **0\.13** | **0\.15****(5\.5V供电)** | **uA** | | **KEY触发后****工作电流** | **IDD** | 工作模式 | **0\.04****(1\.8V供电)** | **0\.13** | **0\.15****(5\.5V供电)** | **uA** | | **输入引脚** | **VIL** | 输入低电压范围 | 0 | | 0\.1 | VDD | | **VIH** | 输入高电压范围 | 0\.7 | | 1 | VDD | | **输出引脚** | **IoH** | VDD\=5V, VOH\=4\.5V(拉电流) | | \-13 | | mA | | **IoL** | VDD\=5V, VOL\=0\.5V(灌电流) | 19 | 21 | 24 | mA | # # 封装信息:SOT23\-6 60mil  # 订购信息 | **产品名称** | **封装类型** | **引脚数** | **封装尺寸** | **封装方式** | | --- | --- | --- | --- | --- | | MPS003 | SOT23\-6 | 6 | 60mil | 卷带:每卷 3000个。 | 郑州飞犀科技有限公司企业淘宝店铺: MPS003 SOT23-6低功耗长按短按电子一键开关机芯片 [https://item.taobao.com/item.htm?id=954528232473](http://)
admin
2025年9月24日 21:13
转发文档
收藏文档
上一篇
下一篇
手机扫码
复制链接
手机扫一扫转发分享
复制链接
Markdown文件
PDF文档(打印)
分享
链接
类型
密码
更新密码